HQS PJ Bastidor para paneles probeta

El HQS PJ es un bastidor diseñado específicamente para el colgado seguro y estable de paneles probeta utilizados en ensayos y controles de calidad de recubrimientos industriales.

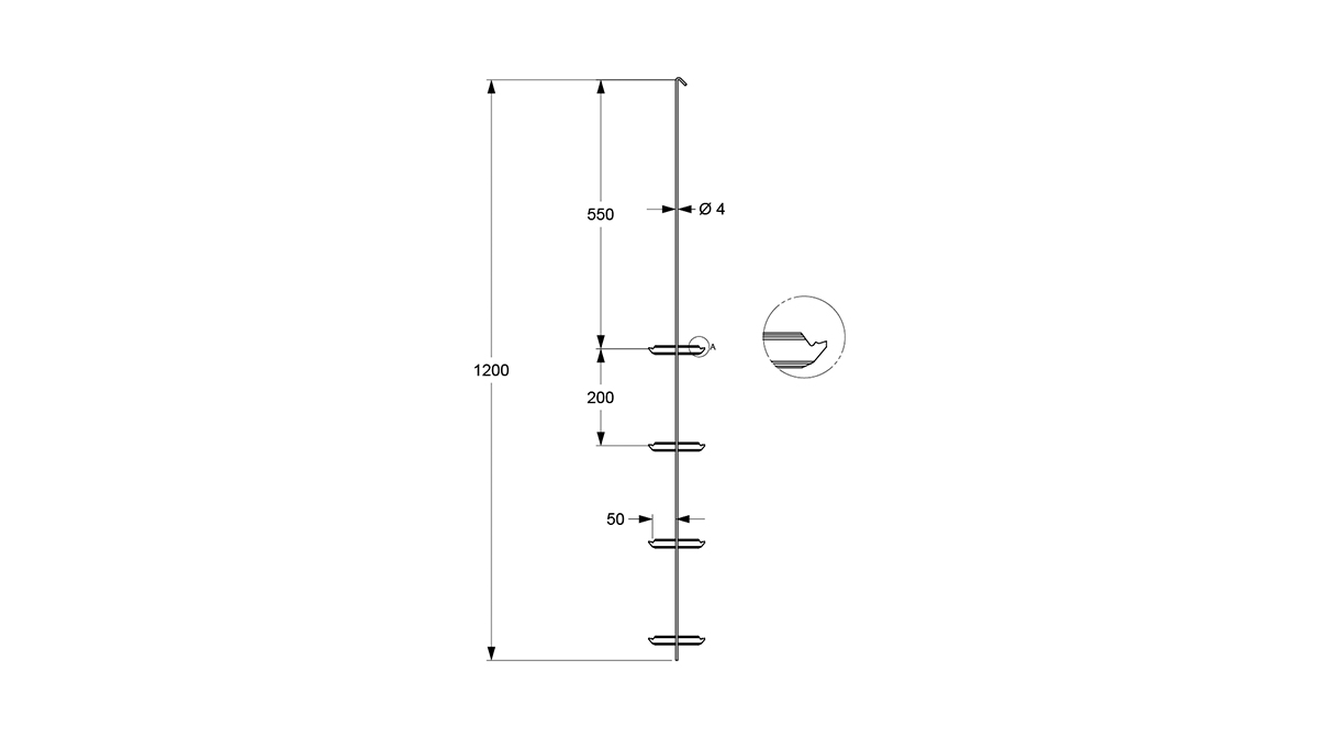
Su elemento principal es el gancho HQS especial, compatible con todos nuestros paneles probeta de formato individual. Este gancho ofrece:

  • Fijación precisa y estable, evitando movimientos durante el proceso de aplicación del recubrimiento.

  • Posicionamiento consistente del panel, lo que garantiza resultados fiables y repetibles en las pruebas PPA.

  • Compatibilidad total, ya que encaja directamente con los formatos de panel más utilizados en laboratorios y líneas de validación.

En conjunto, el HQS PJ proporciona seguridad, precisión y uniformidad en todos los procesos que requieren suspender paneles probeta, facilitando los trabajos de pintado de ensayo y asegurando la calidad de las muestras.